HENGJIU
hengjiu group
中文 | English | Deutsch | Pусский | Espa?ol | Fran?ais
  • 关于广东会
  • 产品
  • 应用
  • 新闻
  • 联系我们
回到概览
首页 > 产品与创新 > 钢制链条 > 钢制套筒链

产品导航

钢制链条
  • 无声链(齿形链)
  • 不锈钢平顶链
  • 焊接弯板链
  • 板式链
  • 大型输送链
  • 低维护链
  • 耐环境链
  • 钢制套筒链
  • 铸造链
  • 刮板链
  • 短节距滚子链
  • 双节距滚子链及附件
  • 标准长节距输送链
  • 空心销轴链
  • 正时链
  • 分动箱链条
  • 重载弯板链
  • 多板销轴链
  • 钢制销合链
  • 尖齿链
  • 推拉链
  • 塑料薄膜横拉链
  • 农机链
  • 摩托车链
  • 锯链
  • 刚性链
塑料链板/链网
  • 塑料平顶链板
  • 工程塑料链网
  • 塑料链轮及附件
钢制链轮
  • 定制钢制链轮

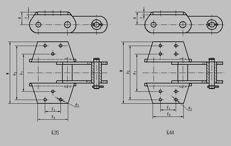
钢制套筒链

钢制套筒链以其简洁的结构,与AS2、ASS、BRH、F12H、G30、M1等多种附件的灵活组合,广泛应用于食盐、肥料等颗粒状物料的撒布机,畜牧业中的饲料分选机和牧草抛洒处理设备,木材加工中的低速输送设备及其它类似的传送系统。公司凭借高效的专用制造设备、严格的过程质量控制和丰富的产品经验,为全球范围内的客户提供优质的链条产品。

关于广东会 | 产品 | 应用领域 | 新闻 | 联系我们

Copyright ? 2024 浙江广东会传动科技股份有限公司 浙ICP备19047828号-1 浙公网安备 33068102000312号